EN 14181 applies to large, permanently installed CEMs used for compliance monitoring; particularly those at installations falling under Chapters III and IV of the IED for large combustion plant and waste incineration.
EN14181 may also apply to certain installations producing or using organic solvents and titanium dioxide.
QAL 1
Firstly, the AMS should have undergone a battery of tests to ascertain how accurate and reliable it is. This procedure is called QAL1 and there are two competent testing authorities; Primarily MCERTS (UK) and secondly TUV (Germany). AMS instruments are certified at certain ranges so it’s important to choose instruments that are certified at the appropriate ranges for use on your plant.
Typical guidelines state that the MCERTS range of the AMS must be lower than 1.5 times ELV for Waste Incineration and 2.5 times ELV for Power Plants.
AMS that have not undergone a QAL 1 should not normally be used on plant where compliance with EN14181 is required.
QAL 2
Once an AMS is installed on site, the operator has up to six months to perform a QAL2 analysis. This analysis will be required every 3 or 5 years (dependent on process) with similar Annual Surveillance Tests performed in years when a QAL 2 is not required. QAL2 comprises of an MCERTS approved testing organisation performing a minimum of 15 tests per measurand over a period of 5 days. These tests are called Standard Reference Methods (SRM) because the methodology of the test is specified in a CEN standard.
In essence, the testing company performs an SRM over a given period and produces an averaged result. The AMS also produces an average result for the same period and these paired results are used to calculate the following:-
- Calibration function
- Linearity
- Certification range of the AMS for this measurand
- Variability of results
- Several other statistical functions including standard deviation
The calibration function is then used to correct data generated by the AMS prior to it being used in reports etc. The Certification range determines the range in mg/Nm3 over which the AMS results are deemed to be accurate.
If the AMS fails to meet the QAL2 standard for any or all the measurands, it must either be repaired and/or the tests repeated. This can be a very expensive exercise and continued failure will probably result in the AMS being replaced.
Using EMACCS to help you upgrade or replace your current system can drastically reduce the possibility of a QAL2 failure and the financial consequences of this. We can also engage an MCERTS certified testing organisation to perform the tests and provide a project manager to oversee the whole process to help provide a satisfactory outcome.
Once the initial QAL2 has been performed, every year the AMS must undergo a QAL2 or an AST (a foreshortened QAL2) to ensure that it still remains accurate, linear and repeatable. Prior to the test team coming to site, EMACCS can provide high quality servicing for the AMS to ensure it accuracy before the testing campaign starts. Failure to pass a QAL2 or AST will result in full repeat QAL2 and the inevitable financial consequences of this.
QAL 3
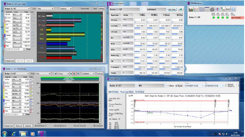
Once the analysers have passed the QAL2 tests and normal operation has commenced the AMS must undergo regular quality assurance checks to confirm that it has not drifted in terms of accuracy. These QA checks are termed “QAL3 checks” and they consist of injecting a zero and span sample into the AMS system to determine the AMS response to the test gas; this is done for all measurands. The matched pairs of data (test gas concentration and AMS output) are fed into an ongoing calculation which creates control charts to show AMS drift.
There are 4 types of control chart that the user can use:
- CUSUM
- CUSUM Precision
- Shewhart
- Moving Median
The chart shows when the analyser goes “out of control” and at this point the AMS must be attended to by qualified service personnel.
The data acquired during QAL3 testing must be retained for audit purposes at the next AST. Initiating manual zero and span checks and then manually entering the results into control chart software is time consuming and tedious so we recommend a DAS that will do this automatically such as EmiDAS
EmiDAS
EMACCS are distributors of EmiDAS Data Acquisition & Handling Software (DAHS) developed by G2 Data Systems Ltd; the software complies with the Environments Agency’s MCERTS Data Management Standard and stores, presents and reports emissions data in the required formats.
EmiDAS also provides the ability to store data points created in QAL3 tests, automatically create all the above mentioned control charts and create a report for the AST audit.
In addition, we can build systems that automatically inject zero and span gases at specific times. The combination of EmiDAS software and EMACCS hardware provides an easy, simple and cost effective system for dealing with QAL3 quality assurance systems.
For more information on EmiDAS and DAHS in general please contact us.
Screenshots from the EmiDAS software package:
EN14181 can seem overcomplicated and daunting at first, but it is really effective at ensuring that AMS perform accurately and reliably. This in turn ensures that the quality of reporting that operators are required to produce is similarly of a high quality. EMACCS can work with you in partnership to help you through the EN14181 process by:
- Upgrading non-compliant AMS
- Installing state of the art, EN14181-compliant AMS
- Engaging MCERTS approved testing teams
- Servicing AMS and preparing them for site testing
- Installing EmiDAS data acquisition and handling systems
- Automating the QAL3 process



